产品知识
公司动态
- 2025年11月20-22日 本地“...
- 上海到底有谁在啊?10月28-3...
- 汉达参展日记之武汉篇:见证...
- 来喽来喽,10月24-26日平湖...
- 中秋遇国庆,家国两团圆丨go...
- 三八出逃计划:野外撒欢,燃烧...
联系我们
浙江汉达机械有限公司
电话:0578-3555444 3152944
传真:0578-3152335
产品知识
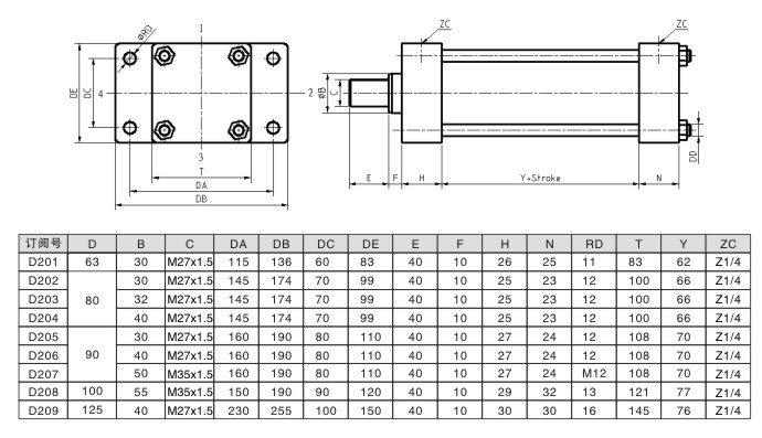
前法兰安装-低压拉杆液压缸尺寸图及参数
汉达技术人员结合市场需求,整理了低压拉杆液压缸的厂标,给客户选择,客户按厂标选择,方便快捷,交货期又快。
以下为安装方式为前法兰安装的具体参数表。
![]() | ![]() |

低压拉杆液压缸的其他安装方式:http://www.zjhanda.com/pressure_show-id-170.html


客户评论
发表评论